

当前位置:主页>产品列表>干燥蒸发设备>蒸发器
1.概述Descriptions
蒸发器分很多种,有单效降膜蒸发器、2效降膜蒸发器、多效降膜蒸发器、刮板蒸发器等。
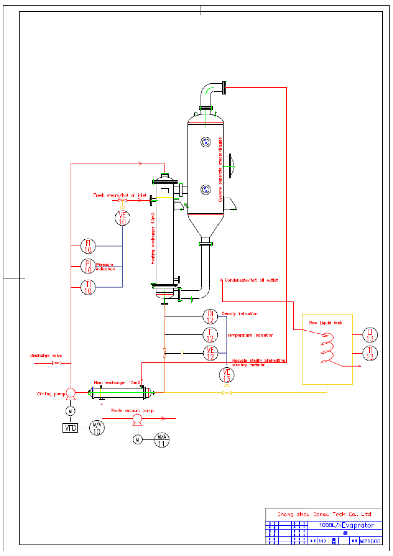
单效降膜蒸发器设备用于食品、化工、医药等行业的液体低温蒸发,可连续进、出料,物料受热时间短,蒸发温度低,液体在设备内通过一次即可达到所需浓度要求。对产品的色泽、风味和营养成份影响很小,特别适用于牛奶等热敏性物料的蒸发。
二效降膜蒸发器工艺在制药、食品、生物等生产中应用较多,如中药生产方面是将提取液进行蒸发浓缩而得到浓缩液或流浸膏,又如在抗生素生产中蒸发操作用于发酵滤液、树脂洗脱液 以及各种提取液的浓缩 。
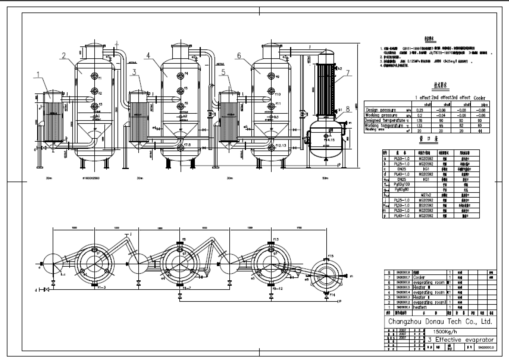
多效降膜蒸发器广泛适用于葡萄糖、淀粉糖、低聚糖、饴糖、山梨醇、鲜奶、果汁、维C、麦芽糊精等水溶液的浓缩。并可应用于味精、酒精、鱼粉等行业的废液处理。
该设备在真空低温条件下进行连续操作,具有蒸发能力高、节能降耗、运行费用低、能最大地保持被处理物料原有的色、香、味和成分。在食品、医药、粮食深加工、饮料、轻工、环保、化工等许多行业均得到广泛的应用。
2.特点Features
生产效率高、蒸发量大。
节能效果显著。
真空状态下蒸发温度低,部分二次蒸汽经喷射式热压泵重新吸入下一效加热器,热量得到充分利用,蒸发温度相对较低。
系统全自动控制,运行平稳。


项目 |
蒸发量(H2O)Kg/h |
换热面积 |
冷凝面积 |
蒸发温度℃ |
真空度MPa |
外形尺寸 |
||||
一效 |
二效 |
三效 |
一效 |
二效 |
三效 |
|||||
WZ-Ⅲ500 |
500 |
15 |
7.5 |
85 |
75 |
60 |
0.02 |
0.06 |
0.08 |
5.9X1.25.X2.49 |
WZ-Ⅲ1000 |
1000 |
30 |
15 |
85 |
75 |
60 |
0.02 |
0.06 |
0.08 |
6.8X1.45X3.5 |
WZ-Ⅲ2000 |
2000 |
60 |
30 |
85 |
75 |
60 |
0.02 |
0.06 |
0.08 |
9.3X1.8X4.2 |





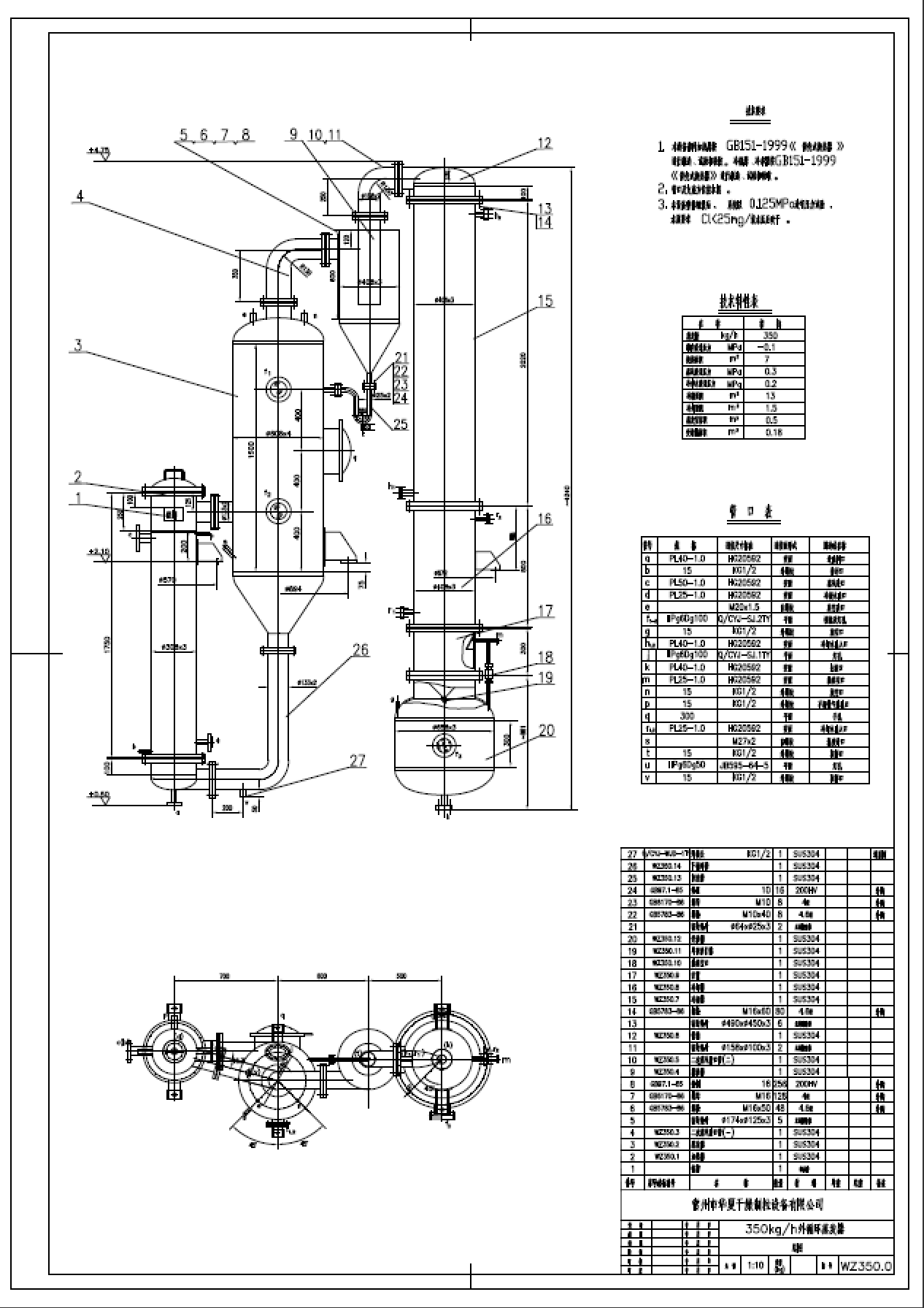
3.技术参数Technical Parameters
根据物料特性和工艺流程确定。
To be confirmed by raw material charactor & technical flow .